ПРОМЫШЛЕННЫЕ КОМПЛЕКТУЮЩИЕ


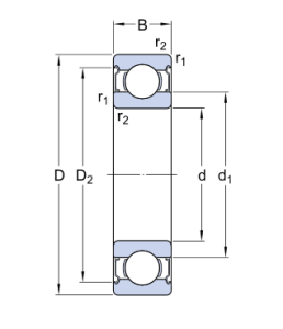
6013-2Z/C3 подшипник SKF

Картинка 6013-2Z/C3  подшипник SKF от компании «BC Industry» Корпуса, корпусные подшипники, подшипниковые узлы, смазки для подшипников, сальники, манжеты, уплотнения - купить в Шымкенте, в Алматы. Купить подшипники в Шымкенте. Купить подшипники в Алматы. SKF Казахстан.
21 025
KZT
Classification level 1
Ball bearing
Classification level 2
Spherical radial
Net weight
0,449
Bore diameter
65
Outside diameter
100
Width
18

6013-2Z/C3  подшипник SKF

Добавьте в корзину один или несколько товаров, и получите коммерческое предложение

Наличие на складах


  

Яндекс.Метрика