ПРОМЫШЛЕННЫЕ КОМПЛЕКТУЮЩИЕ


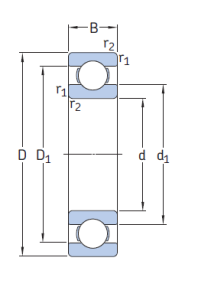
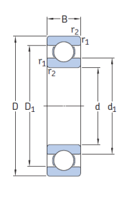
6011 подшипник SKF

Картинка 6011   подшипник SKF от компании «BC Industry» Корпуса, корпусные подшипники, подшипниковые узлы, смазки для подшипников, сальники, манжеты, уплотнения - купить в Шымкенте, в Алматы. Купить подшипники в Шымкенте. Купить подшипники в Алматы. SKF Казахстан.
12 845
KZT
Classification level 1
Ball bearing
Classification level 2
Radial deep groove
Net weight
0,37
Bore diameter
55
Outside diameter
90
Width
18

6011   подшипник SKF

Добавьте в корзину один или несколько товаров, и получите коммерческое предложение

Наличие на складах


  

Яндекс.Метрика