ПРОМЫШЛЕННЫЕ КОМПЛЕКТУЮЩИЕ


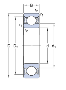
6010-2RS1 подшипник SKF

Картинка 6010-2RS1   подшипник SKF от компании «BC Industry» Корпуса, корпусные подшипники, подшипниковые узлы, смазки для подшипников, сальники, манжеты, уплотнения - купить в Шымкенте, в Алматы. Купить подшипники в Шымкенте. Купить подшипники в Алматы. SKF Казахстан.
13 775
KZT
Classification level 1
Ball bearing
Classification level 2
Spherical radial
Net weight
0,266
Bore diameter
50
Outside diameter
80
Width
16

6010-2RS1   подшипник SKF

Добавьте в корзину один или несколько товаров, и получите коммерческое предложение

Наличие на складах


Яндекс.Метрика