6007-2Z подшипник SKF
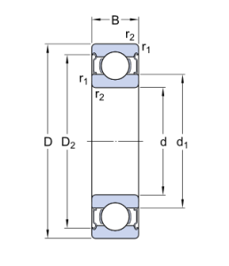
| Classification level 1 | Ball bearing |
|---|---|
| Classification level 2 | Spherical radial |
| Net weight | 0,155 |
| Bore diameter | 35 |
| Outside diameter | 62 |
| Width | 14 |
Аналоги будут добавлены позже.
Документация будет добавлена позже.
Похожие товары
Наличие на складах
-
Основной склад (Алматы, Алатауский район,
микрорайон Шанырак-1, улица Отемисулы, дом 164)
телефон: 8(727) 250 57 75
остаток: 45






