ПРОМЫШЛЕННЫЕ КОМПЛЕКТУЮЩИЕ


6004-С3 подшипник SKF

Картинка 6004-С3  подшипник SKF от компании «BC Industry» Корпуса, корпусные подшипники, подшипниковые узлы, смазки для подшипников, сальники, манжеты, уплотнения - купить в Шымкенте, в Алматы. Купить подшипники в Шымкенте. Купить подшипники в Алматы. SKF Казахстан.
3 065
KZT
Classification level 1
Ball bearing
Classification level 2
Spherical radial
Net weight
0,065
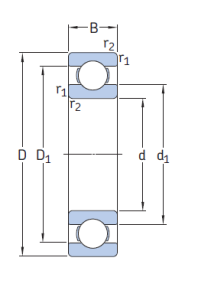
Bore diameter
20
Outside diameter
42
Width
12

6004-C3  подшипник SKF

Добавьте в корзину один или несколько товаров, и получите коммерческое предложение

Наличие на складах


  

Яндекс.Метрика