ПРОМЫШЛЕННЫЕ КОМПЛЕКТУЮЩИЕ


6001 подшипник SKF

Картинка 6001   подшипник SKF от компании «BC Industry» Корпуса, корпусные подшипники, подшипниковые узлы, смазки для подшипников, сальники, манжеты, уплотнения - купить в Шымкенте, в Алматы. Купить подшипники в Шымкенте. Купить подшипники в Алматы. SKF Казахстан.
2 385
KZT
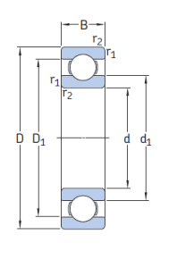
Classification level 1
Ball bearing
Classification level 2
Radial deep groove
Net weight
0,019
Bore diameter
12
Outside diameter
28
Width
8

6001   подшипник SKF

Добавьте в корзину один или несколько товаров, и получите коммерческое предложение

Наличие на складах


  

Яндекс.Метрика