ПРОМЫШЛЕННЫЕ КОМПЛЕКТУЮЩИЕ


6001-2Z/C3 подшипник SKF

Картинка 6001-2Z/C3   подшипник SKF от компании «BC Industry» Корпуса, корпусные подшипники, подшипниковые узлы, смазки для подшипников, сальники, манжеты, уплотнения - купить в Шымкенте, в Алматы. Купить подшипники в Шымкенте. Купить подшипники в Алматы. SKF Казахстан.
2 765
KZT
Classification level 1
Ball bearing
Classification level 2
Spherical radial
Net weight
0,021
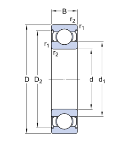
Bore diameter
12
Outside diameter
28
Width
8

6001-2Z/C3   подшипник SKF

Добавьте в корзину один или несколько товаров, и получите коммерческое предложение

Наличие на складах


  

Яндекс.Метрика