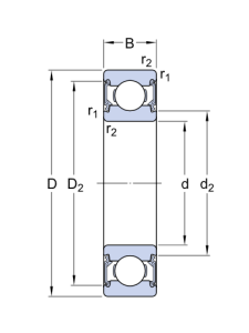
5-8122 (51122) подшипник SKF
Аналоги будут добавлены позже.
Datasheet будет добавлен позже.
Похожие товары
Наличие на складах
-
Основной склад (Алматы, Алатауский район,
микрорайон Шанырак-1, улица Отемисулы, дом 164)
телефон: 8(727) 250 57 75
остаток: 0






