ПРОМЫШЛЕННЫЕ КОМПЛЕКТУЮЩИЕ


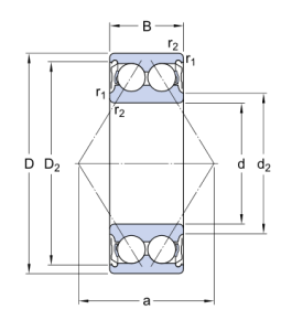
3311 A-2Z/C3MT33 подшипник SKF

Картинка 3311 A-2Z/C3MT33   подшипник SKF от компании «BC Industry» Корпуса, корпусные подшипники, подшипниковые узлы, смазки для подшипников, сальники, манжеты, уплотнения - купить в Шымкенте, в Алматы. Купить подшипники в Шымкенте. Купить подшипники в Алматы. SKF Казахстан.
198 110
KZT
Classification level 1
Ball bearing
Classification level 2
Angular contact radial
Net weight
2,228
Bore diameter
55
Outside diameter
120
Width
49,2

3311 A-2Z/C3MT33   подшипник SKF

Добавьте в корзину один или несколько товаров, и получите коммерческое предложение

Наличие на складах


Яндекс.Метрика