3310 ANR подшипник SKF
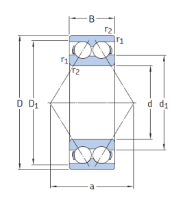
| Classification level 1 | Ball bearing |
|---|---|
| Classification level 2 | Angular contact radial |
| Net weight | 1,734 |
| Bore diameter | 50 |
| Outside diameter | 116,6 |
| Width | 44,4 |
Аналоги будут добавлены позже.
Документация будет добавлена позже.
Похожие товары
Наличие на складах
-
Основной склад (Алматы, Алатауский район,
микрорайон Шанырак-1, улица Отемисулы, дом 164)
телефон: 8(727) 250 57 75
остаток: 0






