ПРОМЫШЛЕННЫЕ КОМПЛЕКТУЮЩИЕ


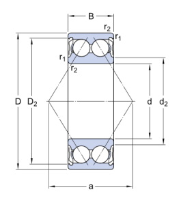
3310 A-2Z подшипник SKF

Картинка 3310 A-2Z   подшипник  SKF от компании «BC Industry» Корпуса, корпусные подшипники, подшипниковые узлы, смазки для подшипников, сальники, манжеты, уплотнения - купить в Шымкенте, в Алматы. Купить подшипники в Шымкенте. Купить подшипники в Алматы. SKF Казахстан.
156 415
KZT
Classification level 1
Ball bearing
Classification level 2
Angular contact radial
Net weight
1,711
Bore diameter
50
Outside diameter
110
Width
44,4

3310 A-2Z   подшипник  SKF

Добавьте в корзину один или несколько товаров, и получите коммерческое предложение

Наличие на складах


  

Яндекс.Метрика