32014 X подшипник SKF
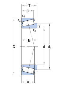
Однорядные конические роликоподшипники. Если образующие конических поверхностей продолжить, то они сойдутся в одной точке, которая находится на оси подшипника. Конструкция конических роликоподшипников делает их особо пригодными для восприятия комбинированных (радиальных и осевых) нагрузок.
Аналоги будут добавлены позже.
Datasheet будет добавлен позже.
Похожие товары
Наличие на складах
-
Основной склад (Алматы, Алатауский район,
микрорайон Шанырак-1, улица Отемисулы, дом 164)
телефон: 8(727) 250 57 75
остаток: 0






