ПРОМЫШЛЕННЫЕ КОМПЛЕКТУЮЩИЕ


30310 подшипник SKF

Картинка 30310    подшипник  SKF от компании «BC Industry» Корпуса, корпусные подшипники, подшипниковые узлы, смазки для подшипников, сальники, манжеты, уплотнения - купить в Шымкенте, в Алматы. Купить подшипники в Шымкенте. Купить подшипники в Алматы. SKF Казахстан.
33 155
KZT
Classification level 1
Roller bearing
Classification level 2
Tapered radial
Net weight
1,246
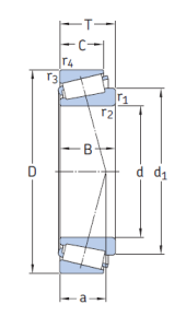
Bore diameter
50
Outside diameter
110
Width
29,25

Добавьте в корзину один или несколько товаров, и получите коммерческое предложение

Полное описание

Однорядные конические роликоподшипники. Если образующие конических поверхностей продолжить, то они сойдутся в одной точке, которая находится на оси подшипника. Конструкция конических роликоподшипников делает их особо пригодными для восприятия комбинированных (радиальных и осевых) нагрузок.

Наличие на складах


Яндекс.Метрика