30304 подшипник SKF
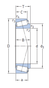
Однорядные конические роликоподшипники. Если образующие конических поверхностей продолжить, то они сойдутся в одной точке, которая находится на оси подшипника. Конструкция конических роликоподшипников делает их особо пригодными для восприятия комбинированных (радиальных и осевых) нагрузок.
| Classification level 1 | Roller bearing |
|---|---|
| Classification level 2 | Tapered radial |
| Net weight | 0,166 |
| Bore diameter | 20 |
| Outside diameter | 52 |
| Width | 16,25 |
Аналоги будут добавлены позже.
Документация будет добавлена позже.
Похожие товары
Наличие на складах
-
Основной склад (Алматы, Алатауский район,
микрорайон Шанырак-1, улица Отемисулы, дом 164)
телефон: 8(727) 250 57 75
остаток: 3






