ПРОМЫШЛЕННЫЕ КОМПЛЕКТУЮЩИЕ


30210 подшипник SKF

Картинка 30210   подшипник  SKF от компании «BC Industry» Корпуса, корпусные подшипники, подшипниковые узлы, смазки для подшипников, сальники, манжеты, уплотнения - купить в Шымкенте, в Алматы. Купить подшипники в Шымкенте. Купить подшипники в Алматы. SKF Казахстан.
19 550
KZT

Добавьте в корзину один или несколько товаров, и получите коммерческое предложение

Полное описание

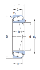
Однорядные конические роликоподшипники. Если образующие конических поверхностей продолжить, то они сойдутся в одной точке, которая находится на оси подшипника. Конструкция конических роликоподшипников делает их особо пригодными для восприятия комбинированных (радиальных и осевых) нагрузок.

Наличие на складах


Яндекс.Метрика