ПРОМЫШЛЕННЫЕ КОМПЛЕКТУЮЩИЕ


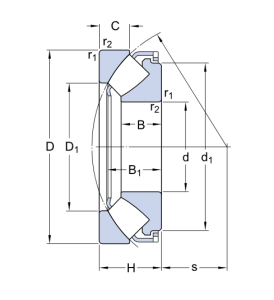
29352E подшипник SKF

Картинка 29352E подшипник  SKF от компании «BC Industry» Корпуса, корпусные подшипники, подшипниковые узлы, смазки для подшипников, сальники, манжеты, уплотнения - купить в Шымкенте, в Алматы. Купить подшипники в Шымкенте. Купить подшипники в Алматы. SKF Казахстан.

Добавьте в корзину один или несколько товаров, и получите коммерческое предложение

Полное описание

Однорядные конические роликоподшипники. Если образующие конических поверхностей продолжить, то они сойдутся в одной точке, которая находится на оси подшипника. Конструкция конических роликоподшипников делает их особо пригодными для восприятия комбинированных (радиальных и осевых) нагрузок.

Наличие на складах


  

Яндекс.Метрика