ПРОМЫШЛЕННЫЕ КОМПЛЕКТУЮЩИЕ


2208 EKТN9/С3 подшипник SKF

Картинка 2208 EKТN9/С3   подшипник SKF от компании «BC Industry» Корпуса, корпусные подшипники, подшипниковые узлы, смазки для подшипников, сальники, манжеты, уплотнения - купить в Шымкенте, в Алматы. Купить подшипники в Шымкенте. Купить подшипники в Алматы. SKF Казахстан.
38 015
KZT
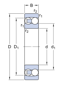
Classification level 1
Ball bearing
Classification level 2
Self-aligning
Net weight
0,47
Bore diameter
40
Outside diameter
80
Width
23

2208 EKТN9/С3   подшипник SKF

Добавьте в корзину один или несколько товаров, и получите коммерческое предложение

Наличие на складах


  

Яндекс.Метрика