ПРОМЫШЛЕННЫЕ КОМПЛЕКТУЮЩИЕ


1320 подшипник SKF

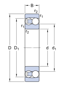
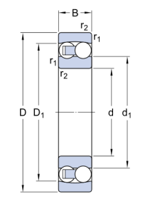
Картинка 1320   подшипник SKF от компании «BC Industry» Корпуса, корпусные подшипники, подшипниковые узлы, смазки для подшипников, сальники, манжеты, уплотнения - купить в Шымкенте, в Алматы. Купить подшипники в Шымкенте. Купить подшипники в Алматы. SKF Казахстан.
489 270
KZT
Classification level 1
Ball bearing
Classification level 2
Self-aligning
Net weight
8,3
Bore diameter
100
Outside diameter
215
Width
47

1320   подшипник SKF

Добавьте в корзину один или несколько товаров, и получите коммерческое предложение

Наличие на складах


  

Яндекс.Метрика