ПРОМЫШЛЕННЫЕ КОМПЛЕКТУЮЩИЕ


T5 900 20 ремень Optibelt ALPHA Power

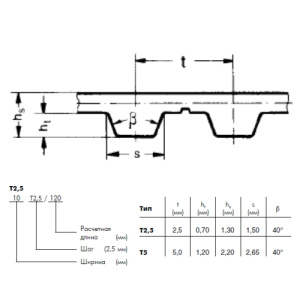
Картинка T5 900 20   ремень Optibelt  ALPHA Power от компании BCIndustry
0
KZT
Бренд
OPTIBELT

Добавьте в корзину один или несколько товаров, и получите коммерческое предложение

Полное описание

Зубчатые ремни для передачи высокой мощности Optibelt ALPHA Power являются результатом постоянного совершенствования. В этом поколении ремней нашел свое отражение богатый опыт применения стандартных зубчатых ремней ALPHA. Новая, стойкая и долговечная полиуретановая смесь обеспечивает этому поколению по сравнению с предыдущими стандартными ремнями – увеличение передаваемой мощности до 30%. C Optibelt ALPHA Power возможны новые решения приводов, например, оптимизация и установка более компактных приводов, что позволяет существенно сократить издержки на ремни и шкивы. Оптимизированное сочетание полиуретана и стального корда обеспечивает моделям Optibelt ALPHA Power наиболее экономичное решение для различных областей применения.









Наличие на складах


Яндекс.Метрика