ПРОМЫШЛЕННЫЕ КОМПЛЕКТУЮЩИЕ


T5 620 15 ремень Optibelt ALPHA TORQUE

Картинка T5 620 15 ремень Optibelt ALPHA TORQUE от компании BCIndustry
0
KZT
Бренд
OPTIBELT

Добавьте в корзину один или несколько товаров, и получите коммерческое предложение

Полное описание

Optibelt ALPHA TORQUE – ДЛЯ СИЛОВЫХ ПРИВОДОВ
БЕСКОНЕЧНЫЕ, ЛИТЫЕ ПОЛИУРЕТАНОВЫЕ ЗУБЧАТЫЕ РЕМНИ Optibelt ALPHA TORQUE ОБЛАДАЮТ СЛЕДУЮЩИМИ
ХАРАКТЕРИСТИКАМИ:
• Номинальная ширина викеля до 380 мм
• Длины ремней до 2250 мм
• Ремень любого цвета - по запросу
• Возможно применение в приводах с фиксированным межосевым расстоянием без натяжных роликов
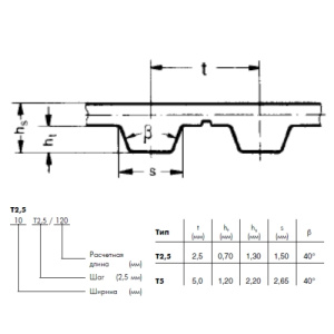
• Доступные профили для односторонних ремней: AT5, AT10, T2,5, T5, T10, T20, MXL, XL, L
• Доступные профили для двухсторонних ремней: DT2,5, DT5, DT10
• Доступные корды: сталь, высокогибкая сталь, нержавеющая сталь, арамид, полиэстер

Наличие на складах


Яндекс.Метрика