ПРОМЫШЛЕННЫЕ КОМПЛЕКТУЮЩИЕ


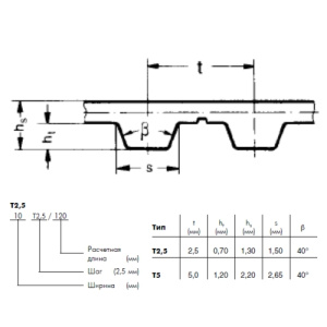
T5 410 15 ремень Optibelt ALPHA SPECIAL

Картинка T5 410 15   ремень Optibelt ALPHA SPECIAL от компании BCIndustry
0
KZT
Бренд
OPTIBELT

Добавьте в корзину один или несколько товаров, и получите коммерческое предложение

Полное описание

Специальные зубчатые ремни с покрытиями Optibelt ALPHA Spezial / ALPHA SRP

Покрытия

Специальные зубчатые ремни Optibelt ALPHA с наружным покрытием изготавливаются литейным методом (ALPHA SRP) на специальных формах. У экструдированных ремней ALPHAflex или ALPHA linear/ALPHA V наружное покрытие наносится методом дополнительной обработки. Благодаря разнообразным видам покрытий и способу их обработки, а также свойствам полиу-ретановых зубчатых ремней, возможны прогрессивные решения в транспортировочной технике.

Механическая обработка

С целью оптимального использования свойств ремней Optibelt ALPHA Spezial в решениях приводов применяются следующие способы их механической обработки:
● Шлифование наружного слоя ремня
● Шлифование боковых граней ремня
● Обработка наружного слоя ремня по длине
● Обработка зубчатой стороны ремня по длине
● Удаление отдельных зубьев
● Перфорирование ремня
● Сепарирование (нарезание) покрытия для придания ему большей гибкости
● Изготовление шпонок /пазов на

Наличие на складах


Яндекс.Метрика