ПРОМЫШЛЕННЫЕ КОМПЛЕКТУЮЩИЕ


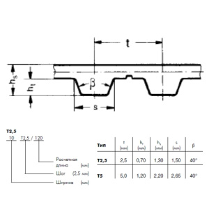
T5 1500 75 AFX ремень Optibelt ALPHAFLEX

Картинка T5 1500 75 AFX ремень Optibelt ALPHAFLEX от компании BCIndustry
0
KZT
Бренд
OPTIBELT

Добавьте в корзину один или несколько товаров, и получите коммерческое предложение

Полное описание

Зубчатые ремни ALPHA Flex изготавливаются в бесконечном исполнении с непрерывным кордом. Это означает, что применяется бесконечный, стальной корд в форме спирали. Благодаря оптимальной комбинации прочного корда и полиуретана, зубчатые ремни применяются в синхронных приводах для передачи высокой мощности при больших межосевых расстояниях.

Преимущества:
● Высокая износостойкость
● Масло – и жиростойкость
● Высокая точность позиционирования/синхронность
● Превосходные возможности для наваривания захватов на зубчатой стороне или внешней стороне ремня

Области применения: приводы с большим межосевым расстоянием – для конвейеров, систем управления или приводов с продолжительным режимом работы при высокой передачи мощности.




Наличие на складах


Яндекс.Метрика