ПРОМЫШЛЕННЫЕ КОМПЛЕКТУЮЩИЕ


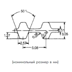
DXL 170 037 ремень Optibelt ZR

Картинка DXL 170 037 ремень  Optibelt ZR от компании BCIndustry
Бренд
OPTIBELT

Добавьте в корзину один или несколько товаров, и получите коммерческое предложение

Полное описание

Важнейшими преимуществами ремней Optibelt ZR являются высокопрочный хлоропрен, гибкий корд из стекловолокна и износостойкaя защитная ткань (на зубчатой стороне).Ремни обладают относительной устойчивостью к  высоким и низким температурам, а также маслам.

Преимущества
● Синхронная передача крутящего момента
● Большой диапазон мощности
● Незначительная нагрузка на подшипники
● Высокая гибкость
● Особо малые диаметры шкивов

Наличие на складах


  

Яндекс.Метрика