ПРОМЫШЛЕННЫЕ КОМПЛЕКТУЮЩИЕ


DH 700 075 ремень Optibelt ZR

Картинка DH 700 075 ремень Optibelt ZR от компании BCIndustry
0
KZT
Бренд
OPTIBELT

Добавьте в корзину один или несколько товаров, и получите коммерческое предложение

Полное описание

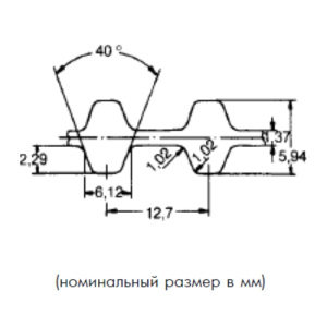
Двухсторонние зубчатые ремни  ZR D

Важнейшими преимуществами ремней Optibelt ZR являются высокопрочный хлоропрен, гибкий корд из стекловолокна и износостойкая защитная ткань (на зубчатой стороне). Ремни обладают относительной устойчивостью к высоким и низким температурам, а также маслам.

Преимущества:
● Синхронная передача крутящего момента
● Большой диапазон мощности
● Незначительная нагрузка на подшипники
● Высокая гибкость
● Особо малые диаметры шкивов

По желанию ремни могут изготавливаться в специальных исполнениях.

Наличие на складах


  

Яндекс.Метрика