ПРОМЫШЛЕННЫЕ КОМПЛЕКТУЮЩИЕ


DH 630 100 ремень Optibelt ZRD

Картинка DH 630 100 ремень Optibelt ZRD от компании BCIndustry
0
KZT
Бренд
OPTIBELT

Добавьте в корзину один или несколько товаров, и получите коммерческое предложение

Полное описание

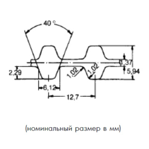
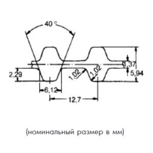
Двухсторонние зубчатые ремни  ZR D

Важнейшими преимуществами ремней Optibelt ZR являются высокопрочный хлоропрен, гибкий корд из стекловолокна и износостойкая защитная ткань (на зубчатой стороне). Ремни обладают относительной устойчивостью к высоким и низким температурам, а также маслам.

Преимущества:
● Синхронная передача крутящего момента
● Большой диапазон мощности
● Незначительная нагрузка на подшипники
● Высокая гибкость
● Особо малые диаметры шкивов

По желанию ремни могут изготавливаться в специальных исполнениях.

Наличие на складах


  

Яндекс.Метрика