ПРОМЫШЛЕННЫЕ КОМПЛЕКТУЮЩИЕ


660 DH 200 ремень optibelt ZR D

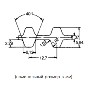
Картинка 660 DH 200 ремень optibelt ZR D от компании BCIndustry
0
KZT
Бренд
OPTIBELT

Добавьте в корзину один или несколько товаров, и получите коммерческое предложение

Полное описание

Интенсивная работа по исследованию, а также успешные испытания ремней на практике позволили разработать ассоpтимент зубчатых ремней Optibelt OMEGA для высокой передачи мощности. Наш большой опыт работы с зубчатыми ремнями Optibelt ZR и Optibelt HTD® был основанием для разработки нового поколения ремней. Optibelt OMEGA задают масштабы для синхронной передачи мощности и позиционных приводов.

Преимущества:
● Универсальные зубчатые ремни для передачи большой мощности
● Высокий КПД
● Длительный срок службы
● Снижение уровня шума
● Компактность конструкции привода
● Высокая надежность при эксплуатации
● Значение передаваемой мощности не уменьшается в течение эксплуатации
● Применение на шкивах HTD® и RPP®

Наличие на складах


Яндекс.Метрика